摩爾比對鋰離子電池正極材料α-LiFeO2的性能影響
1 前言
胡友作1,趙紅遠1,譚銘1,劉珊珊1,劉興泉1,2*
1、電子科技大學微電子與固體電子學院新能源材料與器件實驗室 四川成都 610054
2、四川富驊新能源科技有限公司 四川綿陽 621006
摘要:層狀正極材料LiFeO2理論比容量較高,原材料來源豐富,無毒無污染,是極具商業前景的鋰離子電池正極材料。本文通過液相法在室溫下將鋰鹽和鐵鹽于乙醇溶液中反應得到α-LiFeO2,通過研究不同Li+/Fe3+摩爾比對材料電化學性能的影響,結果發現Li+/Fe3+摩爾比為8.75時得到的材料具有最佳的電化學性能。
Effect of different Li+/Fe3+ molar ratios on the performance of α-LiFeO2 served as cathode material of lithium ion batteries
HU You-zuo1, ZHAO Hong-yuan1, TAN Ming1, LIU Shan-shan1, LIU Xing-quan1,2*
1 R&D Center for New Energy Materials and Devices, School of Microelectronics and Solid State Electronics, University of Electronic Science and Technology of China, Chengdu 610041, Sichuan China
2 Sichuan Fuhua New Energy High-Tech Co., Ltd. Mianyang 621006, Sichuan China
Abstract:Layered LiFeO2 is a kind of very attractive lithium ion battery cathode material for the high theoretical capacity, natural abundance and environmental benignity. In this paper, α-LiFeO2 was synthesized by liquid phase in absolute ethanol solution, the influence of Li+/Fe3+molar ratios on the electrochemical activity was discussed, the results showed that the electrochemical performance is the best when the optimal molar ratio is 8.75.
Key Words:lithium ion batteries;cathode material;α-LiFeO2; Li+/Fe3+ molar ratio
1 引言
隨著社會的高速發展,科技的不斷進步,能源供給,環境保護,經濟增長三者之間的平衡關系正在被高度重視。目前,傳統能源仍然是各國的主要供給能源,這些能源的高能耗,高污染和不可再生性嚴重污染環境破壞生態的同時,也引起了嚴重的能源短缺危機。傳統能源已不能滿足社會經濟發展的需求和可持續發展的戰略理念。因此,綠色環保,可持續的新能源在被發現以來不斷受到關注,并已經成功應用于生產和生活中[1]。體積小,重量輕,容量大,功率高和環境友好的鋰離子電池自1991年被Goodenough等人發現以來,就受到極大關注,同時也因其高比容量,高穩定性,和低成本被廣泛應用于手機,電腦等可移動電子設備,航空航天和汽車等重工行業也開發出了相應的大容量鋰離子電池[1]。
目前,已商業化的鋰離子電池正極材料中,LiCoO2,LiNiO2和LiMnO2三種層狀過渡金屬氧化物正極材料占據了較大的市場份額。其中,LiCoO2作為最早實現商業化的電池,其理論容量為273 mAh/g,對其研究也較成熟,但是其成本較高,毒性較大。LiNiO2與LiCoO2具有相同的結構和理論容量,在應用過程中容易與電解液結合,導致電池循環穩定性較差。LiMnO2理論容量較高,但在充放電過程中會發生姜泰勒效應,導致容量急劇衰減,從而使其商業運用受到阻礙[1]。同樣是層狀過渡金屬氧化物的LiFeO2,不僅理論容量較高,原材料及其豐富,且無毒環保,是極具優勢的鋰離子電池正極材料。Sakurai等[2]人分別在室溫和低于250℃的條件下通過離子交換法制備出了具有電化學活性的波紋層狀和針鐵礦型LiFeO2。Lee等[3]人在150℃下通過傳統固相法合成了正交相LiFeO2,其初始放電比容量達到150 mAh/g。Xiong Wang等[4]人以β-FeOOH為前驅物通過低溫熔鹽法得到納米棒狀α-LiFeO2,與塊狀材料相比其性能明顯提升??梢姡蜏睾铣傻腖iFeO2具有較好的電化學活性。本文通過低溫合成法制得了電化學性能較好的α-LiFeO2,并探討了不同Li+/Fe3+摩爾比下所得樣品的電化學性能。
2 實驗
分別以Fe(NO)3?9H2O和LiOH?H2O為鐵源和鋰源,按不同的Li+/Fe3+摩爾比稱取一定量的Fe(NO)3?9H2O和LiOH?H2O,溶于無水乙醇中,室溫下磁力攪拌4小時,得到的紅棕色沉淀經無水乙醇和去離子水反復離心洗滌除去多余的原料,最后抽濾置于100℃烘箱中20h,得到最終產物α-LiFeO2。分別測量產物的掃描電鏡顯微鏡(SEM),X-射線衍射儀(XRD)。以85:10:5的比例稱取一定量的正極材料,乙炔黑和PVDF制備成正極片,制成扣式電池后在0.1C倍率下,1.5~4.8V電壓區間進行電化學性能測試,用Land電池測試系統對產物電化學性能進行測試。
3 結果與討論
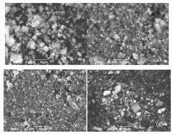
分別以Fe(NO)3.9H2O和LiOH.H20為鋰源和鐵源,按Li+/Fe3+摩爾比為1,5,8.75和10在室溫下得到最終產物LiFeO2。如圖1所示不同Li+/Fe3+摩爾比所得四組樣品的SEM圖譜,由圖可知隨著Li+/Fe3+摩爾比不斷增大,所得樣品的顆粒逐漸減小且更均勻,到Li+/Fe3+為10時顆粒變大,粒徑大小不一。其中Li+/Fe3+為5和8.75時樣品顆粒粒度小,分散性較好。
(a)Li+/Fe3+=1,(b)Li+/Fe3+=5,(c)Li+/Fe3+=8.75, (d)Li+/Fe3+=10
由圖2的XRD圖譜可以發現Li+/Fe3+摩爾比為1時α-LiFeO2的特征峰未明顯出現,Sakurai等[5]人認為在Li+/Fe3+比為1時有針鐵礦LiFeO2和α-LiFeO2同時生成,由圖也可發現在2θ=20°時有隸屬于Pnma空間群的針鐵礦LiFeO2的特征峰出現,Li+/Fe3+摩爾比增加后針鐵礦特征峰消失,Li+/Fe3+>1時所有樣品的XRD圖譜均與α-LiFeO2對應,Li+/Fe3+比增大到10時α-LiFeO2位于2θ=35°的特征峰消失,而其余峰位得到加強,可見不同Li+/Fe3+摩爾比對生成的LiFeO2有較大影響。
圖3為0.1C倍率下,1.5V~4.8V電壓區間內不同Li+/Fe3+摩爾比下得到的樣品的循環穩定性,Li+/Fe3+為1時放電比容量較低,循環到第五次后比容量維持在25 mAh/g左右直至結束。Li+/Fe3+為5時,初始放電比容量為185mAh/g,循環到45圈后容量保留率為52%。Li+/Fe3+為8.75時初始放電比容量達到219 mAh/g,循環到45圈后為143 mAh/g,容量保留率為65%。Li+/Fe3+為10時,循環45圈后比容量為127 mAh/g,容量保留率為51%。綜上可以發現,常溫下合成LiFeO2的電化學性能受Li+/Fe3+摩爾比影響較大,隨著Li+/Fe3+摩爾比的增加電化學性能不斷改善,到兩者摩爾比為8.75時電化學性能最佳。Li+/Fe3+為10時初始放電比容量增加,但循環穩定性下降。
(a)Li+/Fe3+=1,(b)Li+/Fe3+=5,(c)Li+/Fe3+=8.75,(d)Li+/Fe3+=10
(a)Li+/Fe3+=1,(b)Li+/Fe3+=5,(c)Li+/Fe3+=8.75,(d)Li+/Fe3+=10
圖4為不同Li+/Fe3+下電池循環至第1、20和45圈時放電比容量。從圖中可以發現不同Li+/Fe3+為1時首次放電電壓平臺位于1.8V-2.0V之間,第20圈和45圈的放電電壓平臺位于1.5V-1.8V,可見首次放電電壓平臺與后續電壓平臺明顯不同,這或許是混入針鐵礦LiFeO2的緣故。由圖(b)、(c)、(d)可以發現Li+/Fe3+為5、8.75和10時首次放電電壓平臺與后續電壓平臺一致,且都集中于1.5V-2.0V之間。其中(c)圖中Li+/Fe3+比為8.75時首圈放電比容量與后續放電比容量接近,從(a)、(c)、(d)中的特征放電曲線可以發現Li+/Fe3+比為1時容量衰減迅速,Li+/Fe3+為5和10時從首圈到第20圈容量有大幅衰減,第20圈至第45圈衰減逐漸緩慢,但比容量與穩定性與(c)中Li+/Fe3+比為8.375時的樣品相比較差。
(a)Li+/Fe3+=1,(b)Li+/Fe3+=5,(c)Li+/Fe3+=8.75,(d)Li+/Fe3+=10
4 結論
本文通過改變Li+/Fe3+摩爾比在室溫下乙醇溶液中制得α-LiFeO2,在Li+/Fe3+摩爾比為1、5、8.75和10時分別對所得樣品進行形貌和成分的表征,發現隨著Li+/Fe3+摩爾比增加樣品顆粒粒徑不斷減小,粒度更均勻,到Li+/Fe3+摩爾比為8.75時樣品形貌最佳,之后繼續提高Li+/Fe3+摩爾比形貌變差。同時發現Li+/Fe3+摩爾比為1時有針鐵礦LiFeO2生成,Li+/Fe3+摩爾比為10時α-LiFeO2有些特征譜峰消失。對不同摩爾比的四個樣品進行電化學性能測試發現Li+/Fe3+摩爾比為8.75的初始放電比容量達到219 mAh/g,循環到45圈容量保留率為65%,電池循環穩定性和比容量優于其他三個樣品??梢奓i+/Fe3+摩爾比對α-LiFeO2的電化學性能有較大影響,并發現最優的Li+/Fe3+摩爾比為8.75。
參考文獻
[1]M. Stanley Whittingham.Lithium Batteries and Cathode Materials [J].Chem. Rev. 2004, 104: 4271 – 4301.
[2]Yoji Sakurai , Hajime Arai, Shigeto Okada, et al. Low temperature synthesis and electrochemical characteristics of LiFeO2 cathodes[J]. Journal of Power Sources.1997, 68:711-715.
[3]Yun Sung Lee, Chong Seung Yoon, et al. Synthesis of nano-crystalline LiFeO2 material with advanced battery performance [J].Electrochemistry Communications 2002,(4):727–731.
[4]Xiong Wang, Lisheng Gao, et al. Large-scale synthesis of a-LiFeO2 nanorods by low-temperature molten salt synthesis (MSS)method [J].Journal of Crystal Growth.2004,265 :220–223.
[5]Yoji Sakurai, Hajime Arai, Jun-ichi Yamaki. Preparation of electrochemically active a-LiFeO2 at low Temperature[J]. Solid State Ionics, 1998,29–34.


