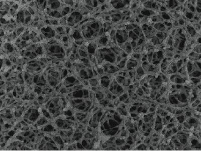
青島藍科途膜材料有限公司成立于2016年,是青島中科華聯新材料股份有限公司控股子公司。目前注冊資金20000萬元,廠區一期占地面積50畝,二期占地面積471畝,主要從事濕法鋰電池隔膜的工藝研發、制品生產和銷售服務。
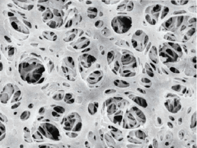
藍科途隔膜產品在能量存儲領域有廣泛的應用,產品質量穩定,性能指標一致性好,公司產品定位高,已經得到國內眾多客戶的認可和信賴。
? 2018年4月 “藍科途新能源鋰電池隔膜項目”入選青島市2018年重點項目
? 2018年6月 藍科途新能源鋰電池隔膜項目被山東省新舊動能轉換重大工程推進辦公室評為“新舊動能轉換重大項目庫第一批優選項目”
? 2018年11月 藍科途榮獲“國家高新技術企業”認定







